山西省某化工厂聚合车间爆炸厂房修复工程
1.在应力作用下,结构通过破坏性的开裂,将不协调应力释放出来,此时框架结构体系一个新的残余应力平衡体系诞生出来,设计方案应首先从体系入手。
2.爆炸发生在A点,冲击波水平影响到B区的柱子,除地面部分,呈现横向剪力破坏。卸除杆件裂缝厚度在0.5mm以上,且纵向开裂在三条以上的能量散失构件。 (见右上图)
3.核心区混凝土开裂,在灾后构筑物上极为罕见,当然工业厂房设备重量亦是其中原因之一。
4.承重结构剩余承载能量在新补强体系完备的情况下,恰当调节构建补充措施。

一、工程概况:
本工程山西省某化工厂聚合车间厂房修复工程,结构由于受到燃烧和小范围爆炸影响,A~C/1~17轴范围内的结构构件受到较大冲击,受甲方委托,我院对此结构进行修复设计。甲方提供原有结构图纸。
二、加固说明:
一)1、被加固构件有裂缝出现的,需先进行裂缝修补后再行加固。
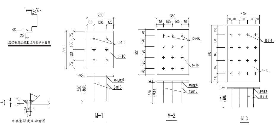
2、粘钢加固的胶粘剂采用性能指标符合GB50367-2006第4.5.5条要求的低温改性环氧树脂胶粘剂。
3、钢板及型钢采用Q235-B,其材料性能指标须符合《钢结构设计规范》GB 50017—2003规定。
4、外露钢构件表面涂刷防锈底漆两道,防锈面漆两道,漆膜总厚度:室内不小于150um。
5、植栓(包括贯通栓)孔内的结构胶须饱满、密实。
6、所有箍板、U形箍的间距均为中到中的距离。
7、粘钢加固、粘碳纤维加固既有混凝土构件前,采用金刚石角磨机,除去混凝土表面的浮浆、油污 等杂质,构件基面的混凝土要打磨平整,尤其是表面的凸起部位要磨平,直至见到新结构面为止。转角粘贴处要进行倒角处理并打磨成圆弧状(外粘型钢时R≥7mm;外粘碳纤维时,对梁R≥20mm,对柱R≥25mm)。
8、梁尺寸见相应的梁修复平面图

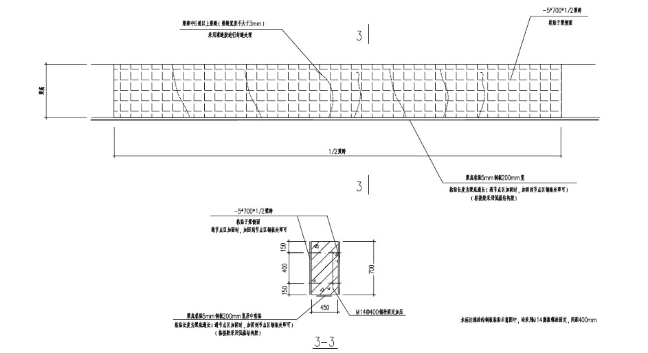
结构裂缝处理示意图


二)1.柱子扩大截面一侧的梁端若有加固节点处理时,依现场情况做以下处理:
(1)梁端裂缝位置在柱子扩大截面范围内时,取消梁端的加固做法
(2)梁端裂缝位置不在柱子扩大截面范围内时,待柱子加固完毕后,再进行梁端加固处理
2.节点加固时要求必须梁加固平面和柱加固平面结合阅读,当柱子节点加固与梁节点加固发生重叠时,取消重叠部位的梁端部做法,并做好连接(具体连接做法依现场实际情况处理),施工单位需完全理解图纸内的设计及施工要求。若有不清楚或不了解的情况,施工单位有责任提出疑问,有待完全弄清楚后,方可进行现场施工工作,以保证加固的安全。
3.梁的加固箍条与次梁(或钢梁)有做法冲突时,箍条避开处理,并在次梁(或钢梁)两侧做箍筋加强处理
4.梁柱裂缝处理方法:当裂缝宽度小于0.3mm时,进行封闭处理当裂缝宽度大于0.3mm时,灌注灌缝胶
5.浇筑高强灌浆料的强度应达到C45
6.粘贴钢板、粘贴碳纤维布、植筋胶(除特别注明外)均采用低温胶
7.现场的结构构件进行修补时,采用聚合物砂浆进行修补,且在修补前清理好破碎、松动的混凝土
8.在进行所有的加固工序前,务必清理好加固位置的破碎、松动的混凝土,并做好除尘处理,方可进行下一道工序,严格遵守国家相应施工规范。
二、钢结构设计总说明
一)总则
1、本工程为工业厂房钢结构。
2、设计标高±0.000相当于绝对标高见原图。
3、建筑安全等级:二级。
4、本工程设计使用年限为50年。
5、建筑抗震设防类别为乙2类,抗震设防烈度为7度,设计基本地震加速度0.1g,设计地震分组:第二组:场地类别Ⅲ类,本工程按8度(提高一度设防),抗震等级二级。
6、结构施工图中除特别注明外,均以本总说明为准。
7、本总说明未详尽处,请遵照现行国家有关规范与规程,规定施工。
8、未经技术鉴定或设计许可,不得改变结构的用途和使用环境。
9、计量单位(除注明外):1)长度:mm;)标高:m。
二)主要钢构件表:
钢构件表
|
编号 |
型号 |
编号 |
型号 |
|
GL-1 |
HM294X200X8X12 |
GL-8 |
[14a |
|
GL-2 |
HM488X300X11X18 |
GL-9 |
HN400X200X8X13 |
|
GL-3 |
HN700X300X13X24 |
ZC-1 |
HW175X175X7.5X11 |
|
GL-4 |
HN300X150X6.5X9 |
GZ-1 |
HW250X250X9X14 |
|
GL-5 |
HM390X300X10X16 |
GZ-2 |
HW350X350X12X19 |
|
GL-6 |
[25a |
GZ-3 |
HW175X175X7.5X11 |
|
GL-7 |
[18a |
|
|
|